|
|
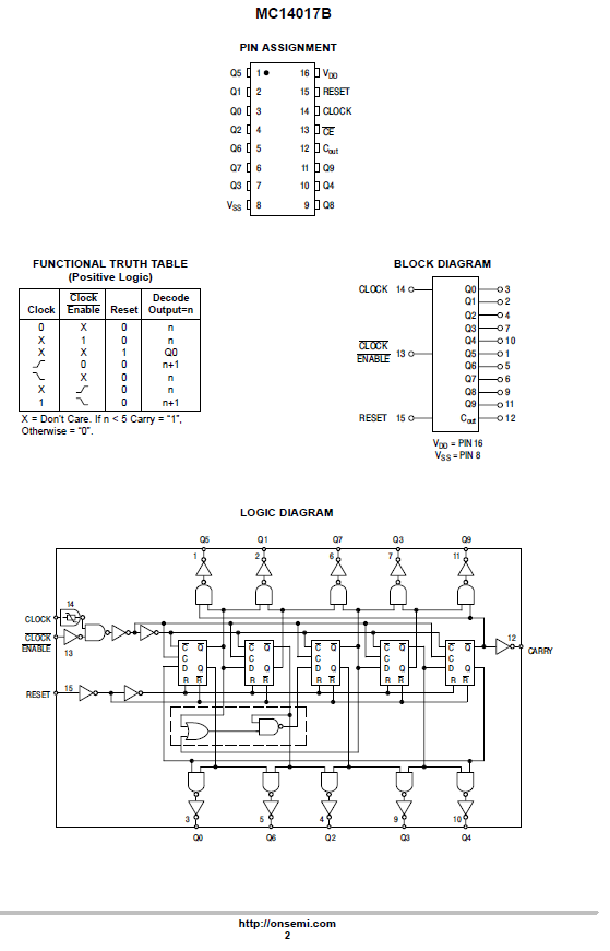
Corrected logic vector test for 4017 (MC14017B and CD4017BE used on T48)
| |
|
|
||
|
|
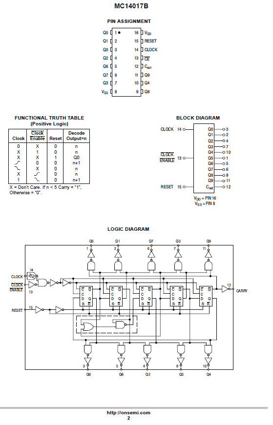
Corrected logic vector test for 4017 (MC14017B and CD4017BE used on T48)
| |
|
|
||
Haikou Xingong Electronics Co.,Ltd ( 琼ICP备13002938号)|联系我们 |Archiver|WAP
GMT+8, 2026-4-27 17:12.
Powered by Discuz! 7.2
© 2001-2009 Comsenz Inc.


