返回列表 发帖

custom IC support MX29LV640MT x 2

Hello,

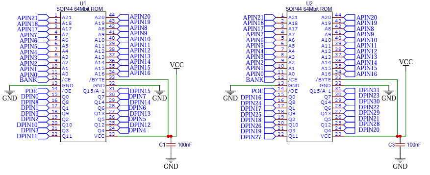
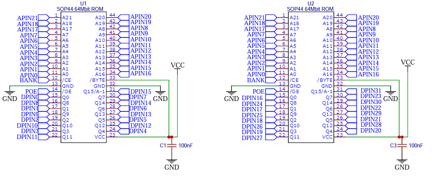
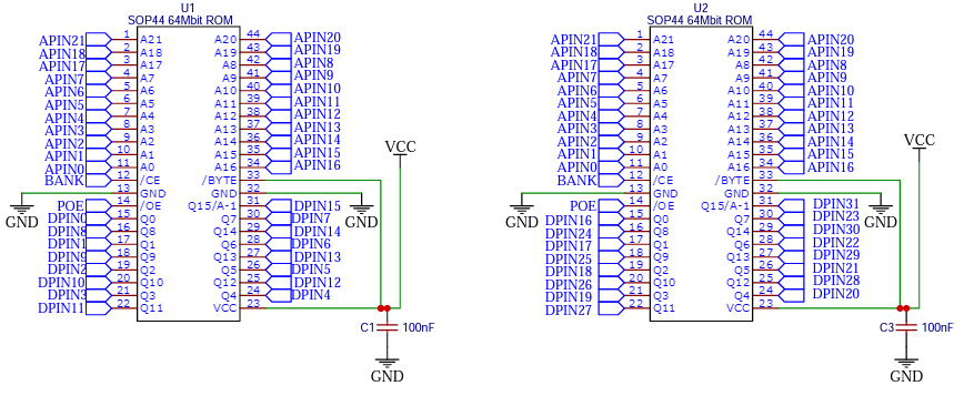
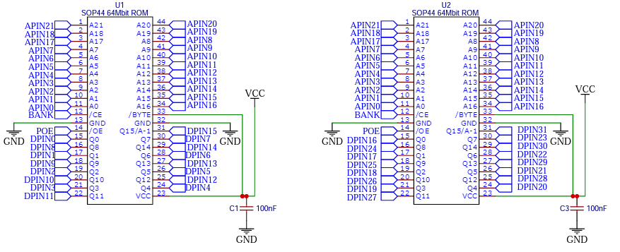
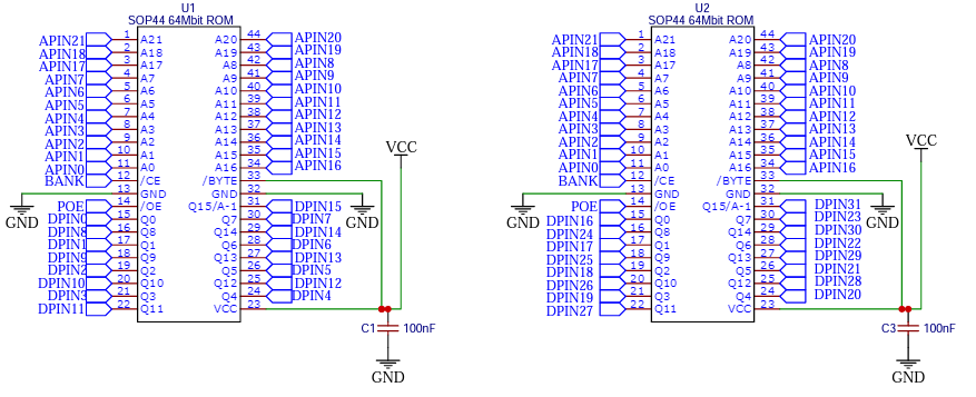
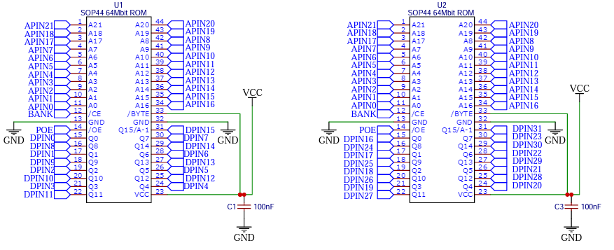
I have an adapter for a TL86plus (ProMan) unit that converts the 40 pin unit into a 72 pin unit. It connects to two NOR Flash (MX29LV640MT) attached to a 72 pin SIMM circuit board. The board schematic is provided below. It works the same way as the flash ROM but with more address pins. Since the algorithim for the MX29LV640MT is available in the XGECU program, can add this support to the program?

boardforthing.PNG

If you could also provide the ability to use the SOP44 version of this chip I would appreciate it.

https://pdf1.alldatasheet.com/datasheet-pdf/view/267959/MCNIX/MX29LV640DTMC-90G.html

Thank you.

返回列表 回复 发帖