Board logo

标题: Corrected logic vector test for 4017 (MC14017B and CD4017BE used on T48) [打印本页]

作者: Dennis    时间: 2022-11-16 01:03     标题: Corrected logic vector test for 4017 (MC14017B and CD4017BE used on T48)

After testing failures with known good MC14017B and CD4017BE chips (that also pass with a competitor's chip tester), I started experimenting with the logic tables and discovered a way to get the chips to pass. Auto Find isn't able to match the chips either. There seems to be some issue with how the clock pulses are applied, but I didn't connect an analyzer to review in depth. Normally, ~Clock Enable [13] would be held low and clock pulses applied to the Clock pin [14] but this fails to advance the counter. In the test results shown below (MC chip used for example), Lines 11 and 12 only appear to pass because they never changed states from line 1. As shown in the logic table below, a second method for advancing the counter is to keep Clock=1 and let the falling edge of the clock pulse on ~Clock Enable advance the counter (n+1). After making a copy of the 4017 entry, I started changing pins 13 and 14.


4017 test - original vectors fail - markup.png


MC14017B TRUTH TABLE.png


The changes to pins 13 and 14 are included in the attached logic vector file, and the test results are shown below. I also changed ineffective test line 12 and added line 13 to let the decade counter continue past 0 to 1 as it is supposed to, then test the Reset pin [15] to make sure the counter properly resets to zero.
  
Auto Find now correctly matches the chips to my new user added entry!

MC14017B corrected test with reset pin check.lgc (2.36 KB)


MC4017B test NEW marked up.png


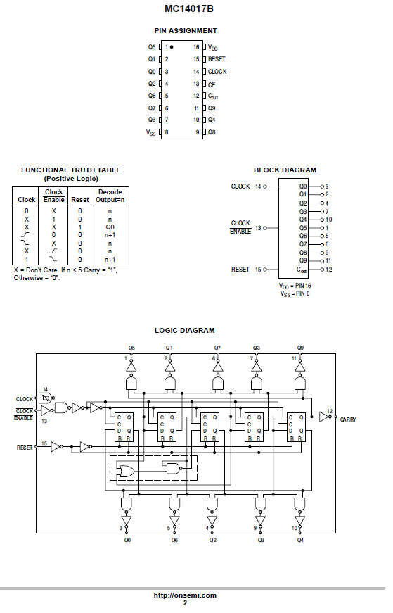
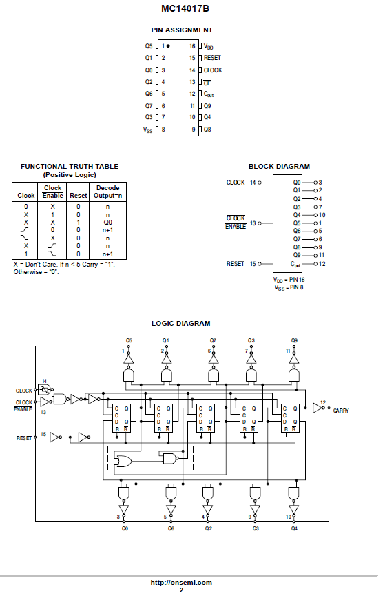
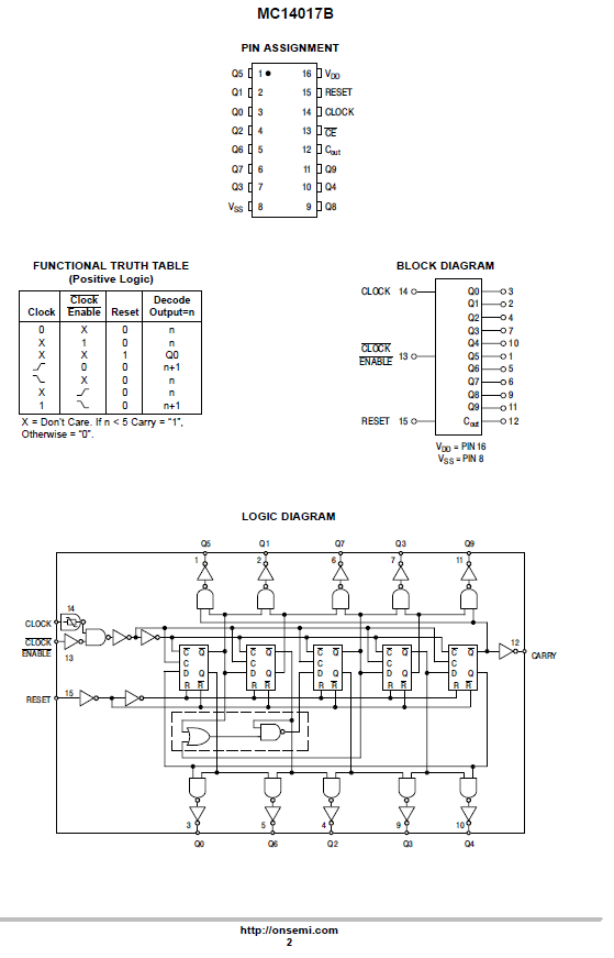
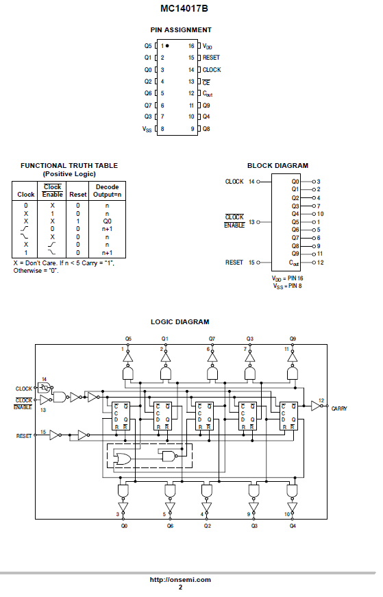
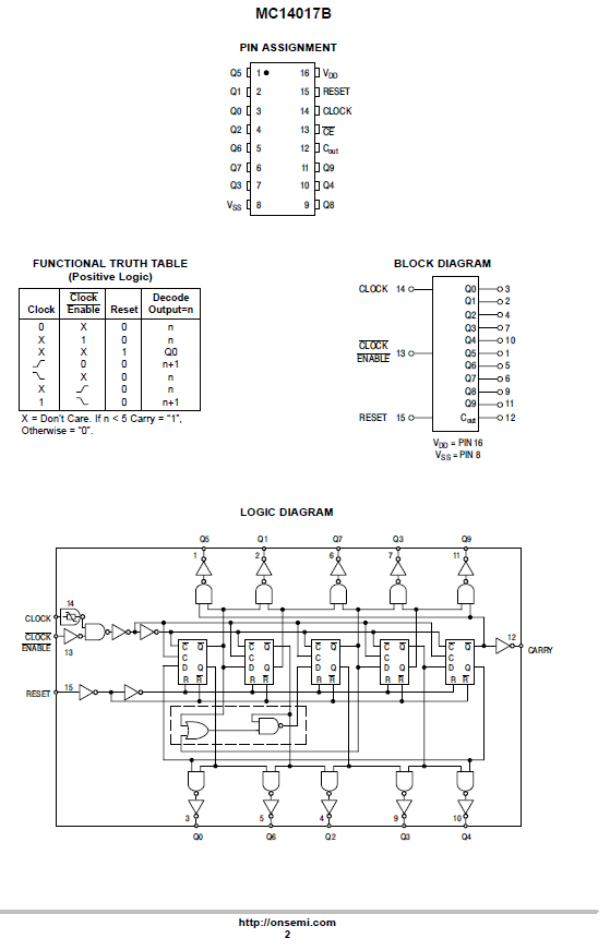
MC14017B datasheet pg 1.png


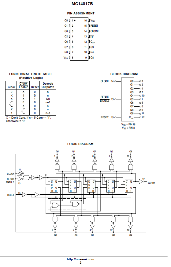
MC14017B datasheet pg 2.png

图片附件: 4017 test - original vectors fail - markup.png (2022-11-16 00:46, 51 KB) / 下载次数 7731
http://forums.xgecu.com/attachment.php?aid=1548&k=98918eadae0ed23435ea8e11302e624f&t=1777560605&sid=PI99Po



图片附件: MC14017B datasheet pg 1.png (2022-11-16 00:57, 107.28 KB) / 下载次数 7953
http://forums.xgecu.com/attachment.php?aid=1551&k=e4a3e47d72190cc864c871158da28d9a&t=1777560605&sid=PI99Po



图片附件: MC14017B datasheet pg 2.png (2022-11-16 00:58, 50.57 KB) / 下载次数 7653
http://forums.xgecu.com/attachment.php?aid=1552&k=b3fde5c9fef39d68384f160e0a35b9df&t=1777560605&sid=PI99Po



附件: [Revised MC14017B XGPro vector test file] MC14017B corrected test with reset pin check.lgc (2022-11-16 00:59, 2.36 KB) / 下载次数 33563
http://forums.xgecu.com/attachment.php?aid=1553&k=6ff563a29249252806c63f55ab258579&t=1777560605&sid=PI99Po

图片附件: MC14017B TRUTH TABLE.png (2022-11-16 01:08, 12.68 KB) / 下载次数 7486
http://forums.xgecu.com/attachment.php?aid=1554&k=6a9235e457534bfcc30793907c33f524&t=1777560605&sid=PI99Po



图片附件: MC4017B test NEW marked up.png (2022-11-16 01:13, 63.52 KB) / 下载次数 7718
http://forums.xgecu.com/attachment.php?aid=1556&k=79d379b9664b04ca2e0ca72b5515f7e4&t=1777560605&sid=PI99Po


作者: admin    时间: 2022-11-16 09:41

回复 1# Dennis
Thank you very much for the improvement of your product. some chips with logic test function are added by users, which may not be strictly tested.




欢迎光临 XGecu Programmer Forums (http://forums.xgecu.com/) Powered by Discuz! 7.2